FILTER RESULTS
FILTER RESULTS
close.svg

Showing 1 - 10 of 28

LIFE

The land bridge dilemma

Life, Story: Supara Janchitfah; Pictures courtesy of Beach for Life, Published on 28/04/2025

» Somjai Yhopkan was among 100 villagers who braved the torrential rain to attend a public meeting at the 3rd Mangrove Forest Research Centre in a hilly area of lush Ranong province.

LIFE

Netflix tests new AI search engine to recommend shows, movies

Life, Lucas Shaw & Mark Gurman of Bloomberg, Published on 16/04/2025

» Netflix is testing new search technology for subscribers that employs artificial intelligence to help them find TV shows and movies, expanding its use of the technology.

LIFE

Meta bars political advertisers from using generative AI ads tools

Katie Paul of Reuters, Published on 07/11/2023

» NEW YORK - Facebook owner Meta is barring political campaigns and advertisers in other regulated industries from using its new generative AI advertising products, a company spokesperson said on Monday, denying access to tools that lawmakers have warned could turbo-charge the spread of election misinformation.

LIFE

Hackers breach encrypted file-sharing software

Business, William Turton of Bloomberg, Published on 07/06/2023

» NEW YORK: Cybersecurity experts are bracing for a potential wave of extortion demands after a vulnerability was discovered in encrypted file-sharing software, a flaw that hackers have already used to target a string of high-profile victims, including British Airways and the BBC.

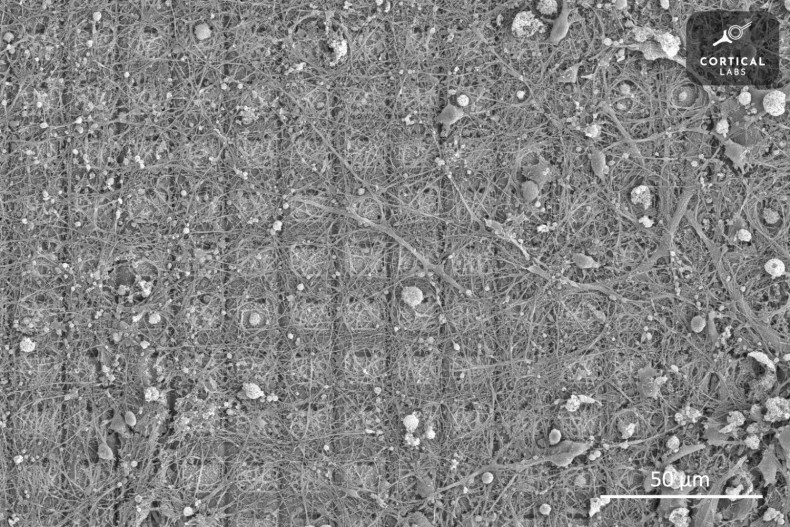
LIFE

Brain cells in dish learn to play video game

Life, Issam Ahmed of AFP, Published on 19/10/2022

» ISLAMABAD: Neuroscientists have shown that lab-grown brain cells can learn to play the classic video game Pong, and could be capable of "intelligent and sentient behaviour".

LIFE

Accelerate the orderly provision of 5G spectrum for sustainable ICT industry and harmonious ecosystem

Zhengjun Zhang (Jun Zhang), Director of Huawei Asia-Pacific Public Relations Department, Published on 27/05/2022

» As a key foundation for digital development, 5G technologies will integrate advanced digital technologies such as edge computing, cloud computing, Internet of Things (IoT), artificial intelligence (AI), and big data, providing new methods, paths, and ideas for digital transformation of the economy and society.

LIFE

Innovating nonstop, together for a better green digital life

Simon Lin, President of Huawei Asia Pacific, Published on 25/05/2022

» The digital economy has become a major engine of global economy. Green and low-carbon technologies have become new drivers for sustainable development. Asia-Pacific is ripe with opportunities for digital transformation, and a digital Asia-Pacific is rapidly approaching.

LIFE

Bitcoin slump erodes fortunes of would-be miners in Thailand

Yoojung Lee and Anuchit Nguyen of Bloomberg News, Published on 20/05/2022

» For Thailand’s market authorities, the Bitcoin's rout has been one of the few tools to cool down the once-unstoppable Jasmine Technology Solution Plc.

LIFE

Building a Sustainable, Digital Business

Simon Lin,President of Huawei Asia Pacific, Published on 25/03/2022

» Asia-Pacific is ripe with opportunities for digital transformation and the pandemic has accelerated it. As 5G rolls out at scale, connectivity, cloud, AI, computing, and industry applications have all come together to create unprecedented opportunities for the ICT sector.